Our Electrical Team’s Strengths
Our team of electrical engineers and designers leverages extensive knowledge of electrical codes and hands-on experience to deliver cost-effective and reliable solutions for various electrical challenges. Whether it’s short circuit analysis, arc flash studies, gear upgrades, or full-scale industrial power and motor control systems, we have the expertise to handle projects of any size and complexity.
We offer services that include designing power distribution systems for low and high voltage, specialized electrical panels, and detailed system layouts. Our capabilities extend to creating electrical drawings such as single line and schematic diagrams, designing cable harnesses, and providing comprehensive project documentation. Whether your project involves retrofitting or new construction, hazardous or non-classified environments, we have the skills to address your needs efficiently.
Electrical Engineering Services we offer:
Electrical design of:
-
Power Distribution Systems: Design electrical systems for low (LV) and high (HV) voltages, including distribution boards and transformers.
- Specialized Electrical Panels: Create control, distribution, and protection panels with suitable components and layouts.
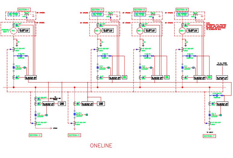
- Detailed Electrical Layout: Develop schematic, wiring, and single-line diagrams to represent system structure and connections.
- Control Panel Design: Design panels to manage and control systems, focusing on component selection and layout.
- 2D & 3D Layout Design (MEP): Visualize system layouts in 2D for planning and 3D for spatial coordination.
- Protection Systems: Implement overcurrent, ground fault, and surge protection to ensure safety and reliability.
Electrical Drawings:
- Single Line Diagrams: Simplified view of electrical system components and connections.
- Three Line Diagrams: Detailed view of all three phases and complex control circuits.
- Electrical Schematic Diagrams: Detailed depiction of circuit components and connections.
- Wiring Harness Design & Drawings: Layout and routing of wires between components.
- Detailed Electrical System Layout: Comprehensive plan showing physical arrangement and routing of electrical systems.
Cable Harness Design and Standardization:
- Plan and bundle cables systematically, ensuring consistency in wire types, connectors, and assembly practices.
Project Submittal Documentation:
- Provide necessary documents and drawings for client or regulatory approval, including design drawings, specifications, calculations, compliance certificates, and operational manuals.
Experienced in Complex Electrical Systems and Energy-Efficient Power Distribution for Global Data Centers and Hospitals.
Experience Overview:
Over the past two years, we have successfully completed more than 25 large-scale power distribution projects across data centers and hospitals in the USA, Europe, and Asian markets. Our expertise lies in designing intricate electrical systems and developing specialized, energy-saving power distribution architectures tailored specifically for data centers. Our team of experts is highly skilled in managing the complexities of these critical infrastructure projects, ensuring efficiency, reliability, and sustainability in every design.
Recognition:
We are recognized in Data center Market as Experts in MV & LV Power distribution systems controls, Protection & Automation.
We provide comprehensive support to our global clients across various domains.
-
Electrical System Engineering: We provide engineering solutions for electrical systems, including power generation, transmission, and distribution.
-
Automation and Controls: Expertise in designing and implementing automation and control systems.
-
Harness Design: Specialized in designing wiring harnesses for various applications.
-
Application Engineering: Offering tailored engineering solutions based on specific client requirements.
-
Prototype Building: Development of prototypes to test and refine designs before full-scale production.
-
Testing and Validation Support: Comprehensive testing and validation services to ensure reliability and performance.
Finite Element Analysis (FEA) Tools and Software:
1. Magnet: Software for simulating electromagnetic fields in devices like motors and transformers.
2. FlowTHERM: Tool for thermal simulation and managing heat dissipation in electronic systems.
3. MATLAB: Technical computing software used for numerical analysis and visualization, with FEA capabilities through additional toolboxes.
Drafting Tools:
1. AutoCAD: Comprehensive software for creating 2D and 3D technical drawings.
2. Draftworx: Tool for drafting and design documentation, often in engineering.
3. MicroStation: CAD software used for both 2D and 3D design, particularly in civil engineering.
4. EPLAN: Software for designing electrical schematics and automation systems.
5. Autodesk Revit: BIM software used for architectural design and engineering.